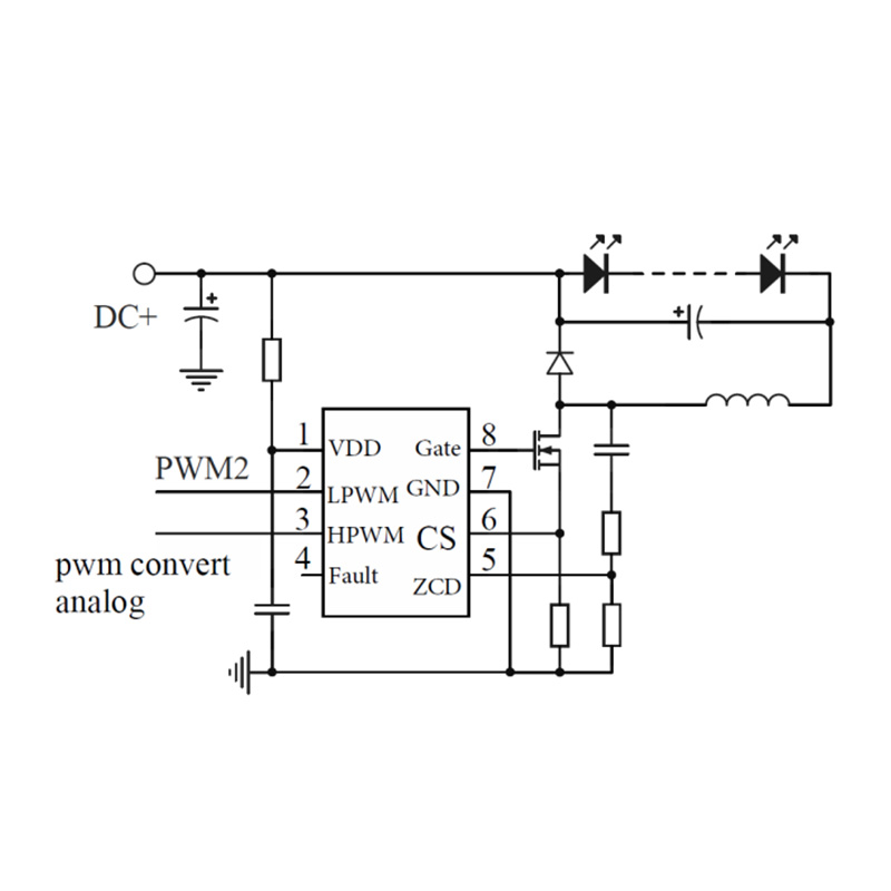
Ang mga modernong power electronics application ay nakabatay sa teknolohiya ng conversion ng mga power device, at lahat ng power device ay nangangailangan ng angkop na mga gate drive solution. Bilang tulay sa pagitan ng...
Magbasa paPara sa high power density, high power output fast charge needs, naglunsad si Sillij ng high-performance na PFC+LLC combination controller na SY5055, na nagselyed sa front BOOST PFC at rear LLC controller, na ginagawang mas maigsi ang peripheral circuit, nakakatipid ng mga gastos at nakakatulong di......
Magbasa paSa pagpapabuti ng kalidad ng buhay ng mga mamimili, ginagawang bagong henerasyon ng naka-network na remote control ang mga smart home appliances na may "sense of science and technology" halo...
Magbasa paSa modernong panahon ng electronics, ang patuloy na kasalukuyang mga chips ng ACDC ay naging kailangang -kailangan sa mga aparato ng kapangyarihan na humihiling ng matatag at mahusay na pag -convert ng enerhiya. Ang mga chips na ito ay kumikilos bilang mahalagang link sa pagitan ng alternating kasal......
Magbasa paBilang isang pangunahing sangkap na nakatuon sa mga senaryo ng elektronikong kontrol, ang mga pangunahing pakinabang ng KP86201 ay makikita sa katumpakan ng control at katatagan ng operasyon. Ang pagiging tugma ng pagbagay at pag -optimize ng kahusayan ng enerhiya ay ang mga pangunahing katangian ni......
Magbasa pa