KP119X
  • KP119XKP119X

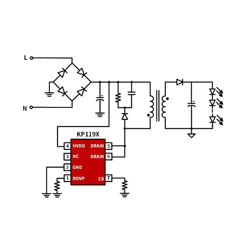
KP119X

Ang KP119X ay isang pamilya ng lubos na pinagsama-samang power switch na may DCM (Discontinuous Conduction Mode) Primary Side Regulation (PSR) constant current (CC) na kontrol para sa high power isolated LED lighting applications.

Magpadala ng Inquiry

Paglalarawan ng Produkto

Nakahiwalay na PSR Constant Current LED Power Switch


Ang KP119X ay isang pamilya ng lubos na pinagsama-samang power switch na may DCM (Discontinuous Conduction Mode) Primary Side Regulation (PSR) constant current (CC) na kontrol para sa high power isolated LED lighting applications.


Pinagsasama ng KP119X ang isang 650V power MOSFET at isinasama ang high voltage startup/IC supply circuit at isang novel transformer demagnetization circuit, na nag-aalis ng transpormer na auxiliary winding at binabawasan ang gastos sa disenyo ng system. Gumagamit din ang IC ng mataas na katumpakan na paraan ng pagkontrol ng kasalukuyang sensing na nagpapanatili ng tumpak na kasalukuyang output at mahusay na regulasyon ng linya/load.


Pinagsasama ng KP119X ang mga function at proteksyon ng Current Limit at Leading Edge Blanking, Under Voltage Lockout (UVLO), Cycle-by-Cycle Current Limiting (OCP), Thermal Foldback (OTP), Output Over Voltage Protection (OVP), LED Open/Short Protection , atbp.


Mga tampok

•  Nakasama sa 650V MOSFET

•  Integrated na HV Startup at VDD Power Supply Circuit

•  PSR CC Control

•  ±5% na Regulasyon sa CC

•  Napakababang Kasalukuyang Operasyon ng VDD

•  Built-in na AC Line CC Compensation

•  Available kasama ng SOP-7 at DIP-7 Package


•  Bumuo sa Mga Proteksyon:

•  Output Over Voltage Protection (OVP)

•  Kasalukuyang Limitasyon ng Cycle-by-Cycle

•  Leading Edge Blanking (LEB)

•  LED Short/Open Protection

•  On-Chip Thermal Fold-Back (OTP)


Mga aplikasyon

•  Down Light, Ceiling Light, Panel Light   •  Iba pang High Power LED Lighting



Makipag-ugnayan sa amin

Shenzhen Headquarters: 10th Floor, Research and Development Center Building, EVOC Industrial Park, 

Guangming Kalye, Guangming Distrito, Shenzhen City, Guangdong Province, China

Opisyal na Website ng Kumpanya: www.cokinsemi.com

 

Email: wyq@cokinic.com

Telepono:+86-18681585060

 




Mga Hot Tags: KP119X, China, Manufacturer, Supplier, Factory, Customized, Mababang Presyo, Kalidad, Advanced, Matibay, Pinakabagong Pagbebenta, May Stock
Kaugnay na Kategorya
Magpadala ng Inquiry
Mangyaring huwag mag-atubiling ibigay ang iyong pagtatanong sa form sa ibaba. Sasagot kami sa iyo sa loob ng 24 na oras.
X
Gumagamit kami ng cookies para mag-alok sa iyo ng mas magandang karanasan sa pagba-browse, pag-aralan ang trapiko sa site at i-personalize ang content. Sa paggamit ng site na ito, sumasang-ayon ka sa aming paggamit ng cookies. Patakaran sa Privacy
Tanggihan Tanggapin