KP28162SGA
  • KP28162SGAKP28162SGA

KP28162SGA

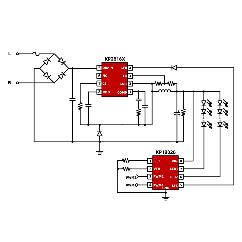
Ang KP28162SGA ay isang single-stage high PFC non isolated constant voltage BUCK power chip. Ang chip ay gumagamit ng isang quasi resonant operating mode at adaptive na inaayos ang output boltahe, na hindi lamang nakakatugon sa mga kinakailangan ng boltahe ng susunod na yugto ng linear constant current, ngunit nagpapabuti din ng kahusayan ng system.

Magpadala ng Inquiry

Paglalarawan ng Produkto

High PF non-isolate BUCK constant voltage built-in MOS chip, non-isolate dimming na walang stroboscopic chip


Ang KP28162SGA ay isang pare-parehong boltahe na output power switch para sa dimming at toning LED application. Ang chip ay gumagamit ng quasi-resonant mode at adaptive na inaayos ang output boltahe, na hindi lamang nakakatugon sa kinakailangan ng boltahe ng linear constant na kasalukuyang pagkatapos ng yugto, ngunit nagpapabuti din sa kahusayan ng system. Ang KP28162SGA ay may pinagsamang high-voltage 500V power MOSFET at high-voltage start at power supply circuit, na nagpapasimple sa disenyo ng system at mga gastos sa produksyon. Ang chip ay may light load frequency reduction mode, na maaaring mapabuti ang katatagan ng system sa ilalim ng light load o walang load, at may mataas na kahusayan. Ang KP28162 ay isinama sa kumpletong mga function ng proteksyon, kabilang ang: VDD undervoltage protection (UVLO), output overvoltage protection (OVP), output short circuit protection (SCP), cycle current limit (OCP), built-in overheat protection, leading edge blanking (LEB ), atbp.


Pangunahing tampok

• Quasi-resonant working mode, mataas na kahusayan

• Power factor >0.7

• Patented adaptive constant voltage control architecture

• Pinagsamang high voltage start at power supply circuit

• Pinagsamang mataas na boltahe na 500V MOSFET

• Walang ingay sa buong hanay ng pagkarga

• Uri ng Encapsulation SOP-8


• Pinagsamang mga feature ng proteksyon:

• VDD Undervoltage Protection (VDD UVLO)

• Output Overvoltage protection (OVP)

• Output Short-circuit Protection (SCP)

• Proteksyon sa sobrang init (OTP)

• Front blanking (LEB)


Karaniwang aplikasyon

• Pagdidilim at intelligent na pag-iilaw

• Patuloy na supply ng boltahe ng kuryente



Makipag-ugnayan sa amin

Shenzhen Headquarters: 10th Floor, Research and Development Center Building, EVOC Industrial Park, 

Guangming Kalye, Guangming Distrito, Shenzhen City, Guangdong Province, China

Opisyal na Website ng Kumpanya: www.cokinsemi.com

 

Email: wyq@cokinic.com

Telepono:+86-18681585060

 




Mga Hot Tags: KP28162SGA, China, Manufacturer, Supplier, Pabrika, Customized, Mababang Presyo, Kalidad, Advanced, Matibay, Pinakabagong Pagbebenta, May Stock
Kaugnay na Kategorya
Magpadala ng Inquiry
Mangyaring huwag mag-atubiling ibigay ang iyong pagtatanong sa form sa ibaba. Sasagot kami sa iyo sa loob ng 24 na oras.
X
Gumagamit kami ng cookies para mag-alok sa iyo ng mas magandang karanasan sa pagba-browse, pag-aralan ang trapiko sa site at i-personalize ang content. Sa paggamit ng site na ito, sumasang-ayon ka sa aming paggamit ng cookies. Patakaran sa Privacy
Tanggihan Tanggapin