AS2780
  • AS2780AS2780

AS2780

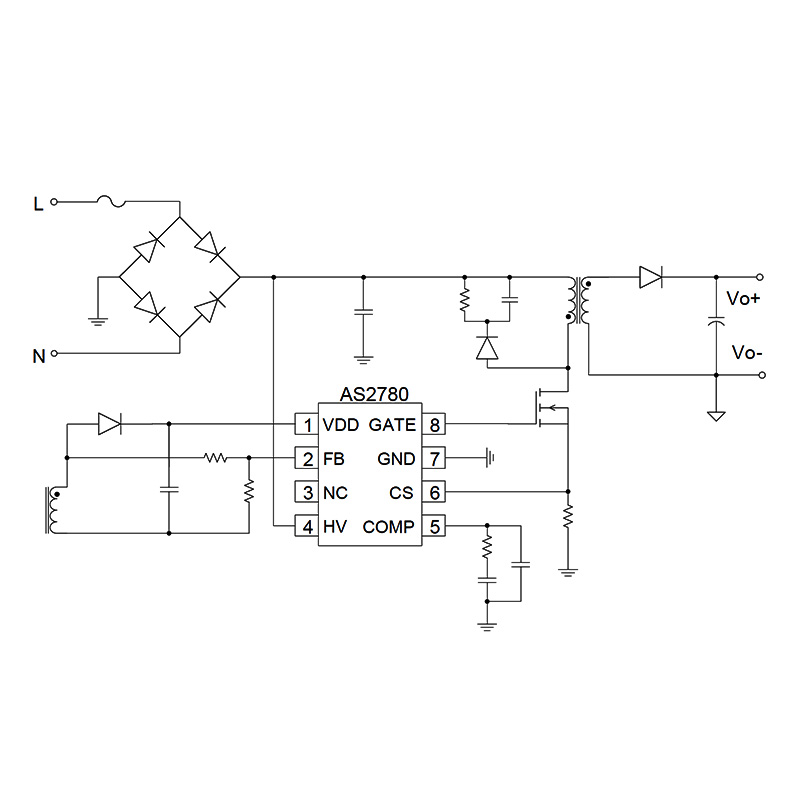
Ang AS2780 ay isang pare-parehong boltahe na output controller na may mataas na power factor, mababang kabuuang harmonic distortion, at pangunahing kontrol sa gilid.

Magpadala ng Inquiry

Paglalarawan ng Produkto

Mataas na PF, mababang THD, pangunahing kontrol sa gilid na quasi-resonant flyback constant voltage controller


Ang AS2780 ay isang pare-parehong boltahe na output controller na may mataas na power factor, mababang kabuuang harmonic distortion, at pangunahing kontrol sa gilid. Ang chip ay may built-in na high-voltage start circuit, na maaaring matugunan ang mga kinakailangan ng mabilis na pagsisimula at ultra-low standby.

Ang AS2780 ay gumagamit ng quasi-resonant working mode, ang sistema ay may mataas na kahusayan sa pagtatrabaho, ngunit maaari ring makakuha ng mas mahusay na pagganap ng EMC. Maaaring itakda ng chip ang pinakamababang operating frequency, na maaaring matiyak na ang output boltahe ng system ay hindi naaanod sa ilalim ng magaan na pseudo load na mga kondisyon, at nakakatugon sa mga kinakailangan ng mababang standby loss.


KP2813 built-in na agpang output boltahe nililimitahan mekanismo, pabilisin ang load dynamic na tugon upang matugunan ang iba't ibang mga pangangailangan ng application. Ang AS2780 ay ganap na isinama sa mga feature ng proteksyon, kabilang ang: VDD Undervoltage protection (VDD UVLO), VDD Overvoltage protection (VDD OVP), input Undervoltage protection (BOP), output Overvoltage protection (OVP), output Undervoltage protection (UVP), cycle current Limitasyon (OCP), Abnormal Overcurrent protection (AOCP), overload protection (OLP), short circuit protection (SCP), built-in na overheat protection (OTP), front blanking (LEB), atbp.


Pangunahing tampok

• Mataas na kahusayan sa quasi-resonant mode

• Full voltage power factor >0.95, THD<10%

• Ang graded harmonics ay nakakatugon sa IEC61000-3-2 Class C

• Built-in na mabilis na soft start, oras ng startup ng system <500ms

• Output constant pressure accuracy ±3%

• Pinagsamang 650V high voltage start at power supply circuit

• Napakababang pagsisimula at kasalukuyang pagpapatakbo, standby power consumption <50mW

• Uri ng Encapsulation SOP-8


• Pinagsamang mga feature ng proteksyon:

• VDD overvoltage/undervoltage protection (VDD OVP/UVLO)

• Output Overvoltage protection (OVP)

• Input Undervoltage Protection (BOP)

• Proteksyon sa sobrang init (OTP)

• Lingguhang Termino Kasalukuyang proteksyon (OCP/AOCP)

• Output Short-circuit Protection (SCP)

• Overload Protection (OLP)

• Front blanking (LEB)


Karaniwang aplikasyon

• Matalinong pag-iilaw, pag-iilaw ng tanawin

• Patuloy na boltahe na panlabas na supply ng kuryente



Makipag-ugnayan sa Amin

Shenzhen Punong-tanggapan: 10th Floor, Research and Development Center Building, EVOC Industrial Park, 

Guangming Kalye, Guangming Distrito, Shenzhen City, Guangdong Province, China

Opisyal na Website ng Kumpanya: www.cokinsemi.com

 

Email: wyq@cokinic.com

Telepono:+86-18681585060

 




Mga Hot Tags: AS2780, China, Manufacturer, Supplier, Factory, Customized, Mababang Presyo, Kalidad, Advanced, Matibay, Pinakabagong Pagbebenta, May Stock
Kaugnay na Kategorya
Magpadala ng Inquiry
Mangyaring huwag mag-atubiling ibigay ang iyong pagtatanong sa form sa ibaba. Sasagot kami sa iyo sa loob ng 24 na oras.
X
Gumagamit kami ng cookies para mag-alok sa iyo ng mas magandang karanasan sa pagba-browse, pag-aralan ang trapiko sa site at i-personalize ang content. Sa paggamit ng site na ito, sumasang-ayon ka sa aming paggamit ng cookies. Patakaran sa Privacy
Tanggihan Tanggapin