KP1511SPA
  • KP1511SPAKP1511SPA

KP1511SPA

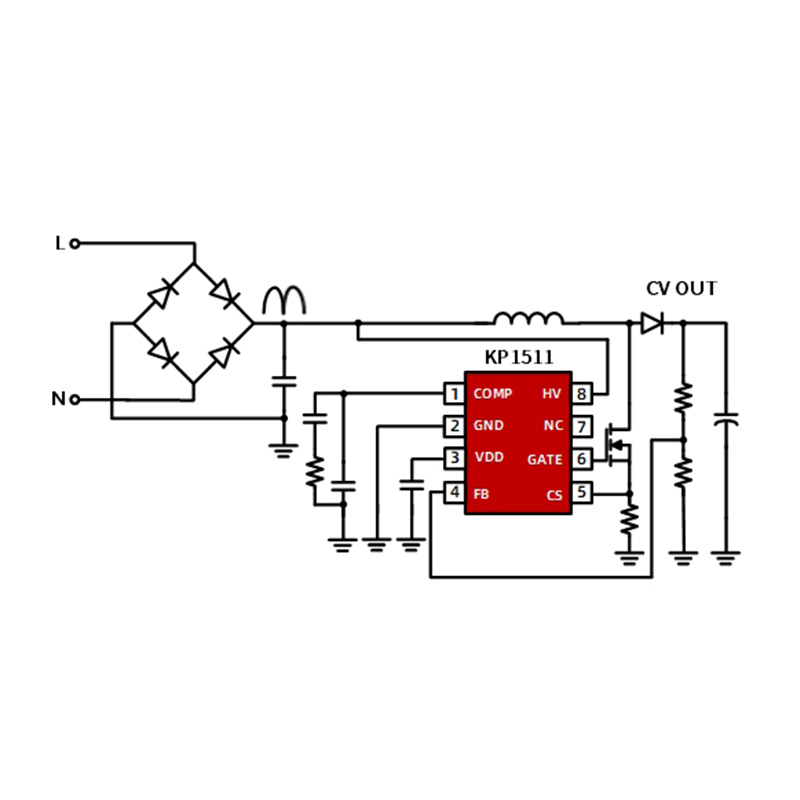
Ang KP1511SPA ay isang lubos na pinagsama-samang step-up na PFC constant voltage controller, ang chip ay gumagamit ng quasi-resonant mode of operation, kasama ng aktibong power factor correction control technology upang matugunan ang mga kinakailangan ng high power factor, ultra-low harmonic distortion at mataas na kahusayan.

Magpadala ng Inquiry

Paglalarawan ng Produkto

Ang mataas na pagganap, kritikal na mode ay nagpapalakas ng PFC ng pare-parehong boltahe na controller


Ang KP1511SPA ay isang lubos na pinagsama-samang step-up na PFC constant voltage controller, ang chip ay gumagamit ng quasi-resonant mode of operation, kasama ng aktibong power factor correction control technology upang matugunan ang mga kinakailangan ng high power factor, ultra-low harmonic distortion at mataas na kahusayan.


KP1511SPA panloob na pinagsamang degaussing signal detection teknolohiya, habang pinagsamang 650V mataas na boltahe simula at power supply circuit, walang auxiliary winding detection degaussing at power supply, lamang ng ilang mga peripheral na aparato, lubos na pinasimple ang disenyo ng system at mga gastos sa produksyon.


Pinagsasama ng KP1511SPA ang kumpletong mga function ng proteksyon upang matiyak ang ligtas at maaasahang operasyon ng system, tulad ng: VDD undervoltage protection function (UVLO), cycle current limit (OCP), overheat protection (OTP), output overvoltage protection (OVP), output undervoltage protection ( UVP), atbp.


Pangunahing tampok

• Mataas na kahusayan sa quasi-resonant mode

• Walang suportang pantulong na paikot-ikot na disenyo

• Pinagsamang 650V high voltage start at power supply circuit

• Single-stage active power factor correction technology

• Full voltage power factor >0.9, THD<10%

• Oras ng pagsisimula ng system <200ms

• Mataas na katumpakan pare-pareho ang presyon ng kontrol

• Ultra-low operating kasalukuyang

• Napakahusay na boltahe ng linya at pagsasaayos ng pagkarga


• Mga function ng panloob na proteksyon:

Output Overvoltage protection (OVP)

• Output Undervoltage protection (UVP)

• Cycle Current Limit (OCP)

• Front blanking (LEB)

• Proteksyon sa sobrang init (OTP)


• Uri ng Encapsulation SOP-8


Karaniwang aplikasyon

• Mataas na kapangyarihan na mga aplikasyon ng PFC



Makipag-ugnayan sa Amin

Shenzhen Punong-tanggapan: 10th Floor, Research and Development Center Building, EVOC Industrial Park, 

Guangming Kalye, Guangming Distrito, Shenzhen City, Guangdong Province, China

Opisyal na Website ng Kumpanya: www.cokinsemi.com

 

Email: wyq@cokinic.com

Telepono:+86-18681585060

 




Mga Hot Tags: KP1511SPA, China, Manufacturer, Supplier, Pabrika, Customized, Mababang Presyo, Kalidad, Advanced, Matibay, Pinakabagong Pagbebenta, May Stock
Kaugnay na Kategorya
Magpadala ng Inquiry
Mangyaring huwag mag-atubiling ibigay ang iyong pagtatanong sa form sa ibaba. Sasagot kami sa iyo sa loob ng 24 na oras.
X
Gumagamit kami ng cookies para mag-alok sa iyo ng mas magandang karanasan sa pagba-browse, pag-aralan ang trapiko sa site at i-personalize ang content. Sa paggamit ng site na ito, sumasang-ayon ka sa aming paggamit ng cookies. Patakaran sa Privacy
Tanggihan Tanggapin