AS3899
  • AS3899AS3899

AS3899

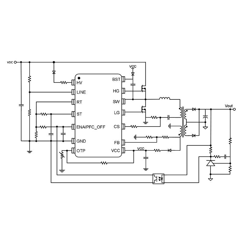
Ang AS3899A ay isang high-performance, high-precision resonant mode two-terminal controller na idinisenyo para sa LLC half-bridge resonant circuit control application.

Magpadala ng Inquiry

Paglalarawan ng Produkto

Domestic LLC half bridge resonant controller chip


Ang AS3899A ay isang high-performance, high-precision resonant mode two-terminal controller na idinisenyo para sa LLC half-bridge resonant circuit control application. Nagbibigay ito ng komplementaryong duty cycle na 50% : ang high voltage side switch at low voltage side switch ay naka-on/off sa 180° reverse phase sa eksaktong parehong oras. Ang controller ay nagmodulate at nagpapatatag sa output boltahe sa pamamagitan ng pagsasaayos ng operating frequency ng system. Gumagamit ang AS3899A ng nobelang MOSFET zero-voltage detection method para magpasok ng adaptive dead time sa pagitan ng turn-off at turn-on ng dalawang MOSFET para matiyak ang malambot na paglipat, mababang EMI at mataas na kahusayan ng system. Upang maiwasan ang pag-overshoot ng boltahe ng output sa panahon ng startup, ang AS3899A ay nagbibigay ng proseso ng soft start na nako-configure ng user na magsisimula sa switching frequency mula sa isang set na maximum at pagkatapos ay unti-unting nabubulok sa isang steady-state resonant frequency point na kinokontrol ng loop, habang iniiwasan din ang runaway na impulse current. sa panahon ng pagsisimula.


Ang AS3899A ay nagbibigay ng programmable burst mode control sa ilalim ng no-load o light load upang mabawasan ang kasalukuyang pagkalugi ng magnetization at pagkalugi na umaasa sa dalas. Ang function ng pagbabalik ng temperatura, na nagpapababa sa kasalukuyang output habang tumataas ang temperatura, ay maaaring panatilihing gumagana ang system sa kapaligiran na may mataas na temperatura. Ang AS3899A ay nagbibigay din ng user-opsyonal na interface ng PFC controller sa harap para sa sabay-sabay na kontrol ng PFC controller. Ang AS3899A ay isang lubos na pinagsama-samang controller sa isang SOP16 package na pinapasimple ang disenyo ng system. Ang panloob na oscillator ay sumusuporta sa paglipat ng mga frequency mula 40kHz hanggang 400kHz. Ang AS3899A ay nagbibigay ng kumpletong mga feature sa proteksyon ng system, kabilang ang capacitor mode detection, line voltage undervoltage protection, VCC undervoltage lock, VCC overvoltage protection, load overcurrent protection, output overvoltage protection at overtemperature protection.


Mga bentahe ng produkto:

• Mataas na precision oscillator

• Walang PFCS ang sinusuportahan

• Adaptive dead-time na kontrol

• Programmable soft boot

• Ang pinakamababang dalas ng pagtatrabaho at pinakamataas na dalas ng pagtatrabaho ay maaaring i-program

• Pangunahing pare-pareho ang kasalukuyang mode/overpower protection mode

• Capacitive pattern detection

• Banayad na load burst operation mode



Makipag-ugnayan sa Amin

Shenzhen Headquarters: 10th Floor, Research and Development Center Building, EVOC Industrial Park, 

Guangming Kalye, Guangming Distrito, Shenzhen City, Guangdong Province, China

Opisyal na Website ng Kumpanya: www.cokinsemi.com

 

Email: wyq@cokinic.com

Telepono:+86-18681585060

 




Mga Hot Tags: AS3899, China, Manufacturer, Supplier, Pabrika, Customized, Mababang Presyo, Kalidad, Advanced, Matibay, Pinakabagong Pagbebenta, May Stock
Kaugnay na Kategorya
Magpadala ng Inquiry
Mangyaring huwag mag-atubiling ibigay ang iyong pagtatanong sa form sa ibaba. Sasagot kami sa iyo sa loob ng 24 na oras.
X
Gumagamit kami ng cookies para mag-alok sa iyo ng mas magandang karanasan sa pagba-browse, pag-aralan ang trapiko sa site at i-personalize ang content. Sa paggamit ng site na ito, sumasang-ayon ka sa aming paggamit ng cookies. Patakaran sa Privacy
Tanggihan Tanggapin