KP15051SPA
  • KP15051SPAKP15051SPA

KP15051SPA

Ang serye ng KP15051SPA ay isang high-performance, murang PWM controlled power switch para sa mga off-line na low-power step-down na application na may mga simpleng peripheral circuit at mas kaunting bahagi.

Magpadala ng Inquiry

Paglalarawan ng Produkto

Mataas na pagganap, mababang gastos off-line PWM control power switch


Ang serye ng KP15051SPA ay isang high-performance, murang PWM controlled power switch para sa mga off-line na low-power step-down na application na may mga simpleng peripheral circuit at mas kaunting bahagi. Kasabay nito, ang built-in na mataas na boltahe na MOSFET ay maaaring mapabuti ang surge tolerance ng system.


Hindi tulad ng tradisyonal na PWM controllers, ang KP15051SPA ay walang fixed clock drive MOSFETs, at ang switching frequency ng system ay maaaring awtomatikong iakma ayon sa load. Kasabay nito, ang chip ay gumagamit ng multi-mode na PWM control technology, na epektibong pinapasimple ang disenyo ng peripheral circuit, pinapabuti ang linear adjustment rate at load adjustment rate, at inaalis ang naririnig na ingay sa system work. Bilang karagdagan, ang panloob na peak current detection threshold ay maaaring awtomatikong iakma ayon sa aktwal na kondisyon ng pagkarga, na maaaring epektibong mabawasan ang standby power consumption sa walang-load na kondisyon.


Isinasama ng KP15051SPA ang kumpletong mga function ng proteksyon sa self-recovery: VDD undervoltage protection, cycle by cycle current limit, output overvoltage protection, overheat protection, overload protection at VDD overvoltage protection.


Pangunahing tampok

• Pinagsamang 500V high voltage MOSFET at high voltage start circuit

• I-optimize ang magaan na ingay sa pag-load at pagbutihin ang kakayahan sa anti-interference ng system

• Multi-mode control, walang sound work

• Sinusuportahan ang step-down at step-down na topology

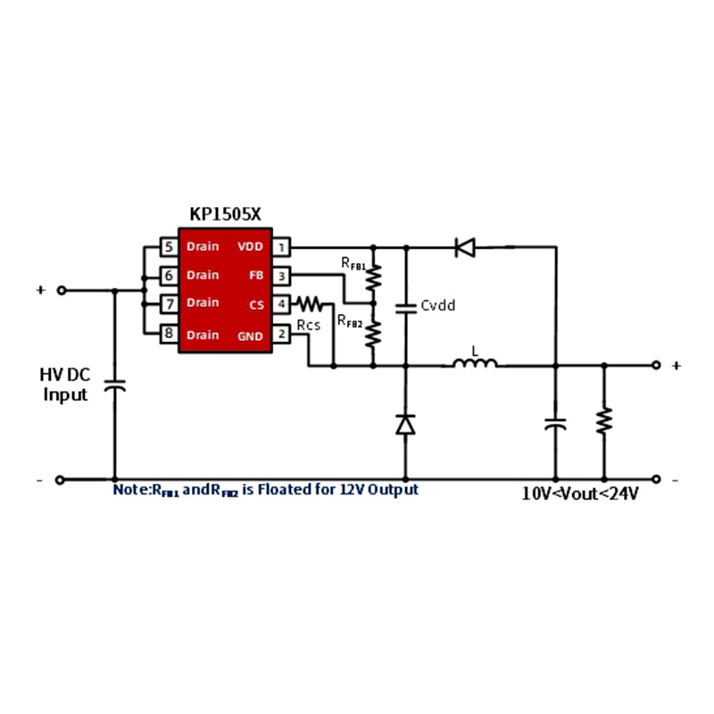
• Default na 12V output (FB foot suspension)

• Standby power consumption <50mW

• Magandang linear adjustment rate at load adjustment rate

• Pinagsamang soft start circuit


• Mga function ng panloob na proteksyon:

• Overload Protection (OLP)

• Cycle Current Limit (OCP)

• Output Overvoltage protection (OVP)

• VDD overvoltage, undervoltage at proteksyon sa salansan ng boltahe


• Uri ng Encapsulation SOP-8


Karaniwang aplikasyon

• Matalinong pag-iilaw



Makipag-ugnayan sa Amin

Shenzhen Punong-tanggapan: 10th Floor, Research and Development Center Building, EVOC Industrial Park, 

Guangming Kalye, Guangming Distrito, Shenzhen City, Guangdong Province, China

Opisyal na Website ng Kumpanya: www.cokinsemi.com

 

Email: wyq@cokinic.com

Telepono:+86-18681585060

 




Mga Hot Tags: KP15051SPA, China, Manufacturer, Supplier, Pabrika, Customized, Mababang Presyo, Kalidad, Advanced, Matibay, Pinakabagong Pagbebenta, May Stock
Kaugnay na Kategorya
Magpadala ng Inquiry
Mangyaring huwag mag-atubiling ibigay ang iyong pagtatanong sa form sa ibaba. Sasagot kami sa iyo sa loob ng 24 na oras.
X
Gumagamit kami ng cookies para mag-alok sa iyo ng mas magandang karanasan sa pagba-browse, pag-aralan ang trapiko sa site at i-personalize ang content. Sa paggamit ng site na ito, sumasang-ayon ka sa aming paggamit ng cookies. Patakaran sa Privacy
Tanggihan Tanggapin