NE1180
  • NE1180NE1180

NE1180

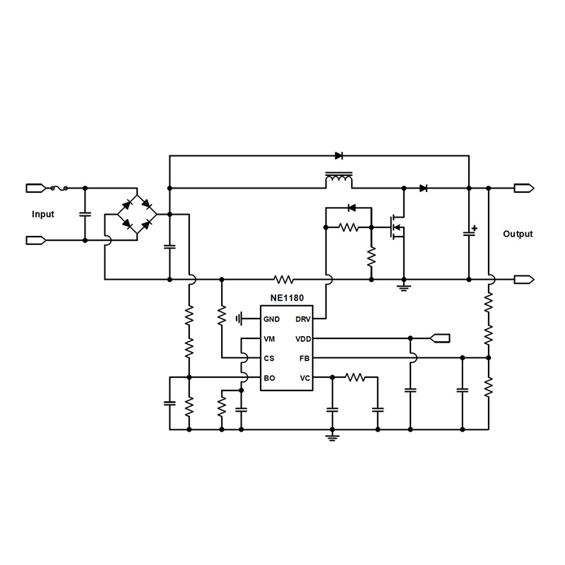
Ang NE1180 ay isang controller para sa tuluy-tuloy na on-mode (CCM) power factor correction (PFC) step-up preconverters.

Magpadala ng Inquiry

Paglalarawan ng Produkto

CCM tuloy-tuloy na mode high-power PFC chip


Ang NE1180 ay isang controller para sa tuluy-tuloy na on-mode (CCM) power factor correction (PFC) step-up preconverters. Sa fixed frequency mode, kinokontrol nito ang power switch on-time (PWM) at depende sa instant coil current. Ang circuit ay nakabalot sa SO-8, pinaliit ang bilang ng mga panlabas na bahagi at lubos na pinapasimple ang pagpapatupad ng PFC. Isinasama rin nito ang mataas na mga tampok sa kaligtasan para sa epektibong input power runaway clamp circuits


Mga tampok ng produkto:

• Average na kasalukuyang tuloy-tuloy na conduction mode

• Mabilis na lumilipas na tugon

• Ang panlabas na circuit ng aplikasyon ay simple

• ±1.5A na kakayahan sa pagmamaneho

• Mababang gumaganang kasalukuyang

• chip built-in na 65KHz at 130KHz high-precision switching frequency

• ay may panloob na adjustable reference base

• Built-in na soft start function

• Output undervoltage at overvoltage na proteksyon

• Proteksyon ng BO ng boltahe ng linya ng input

• Mataas na precision overcurrent na proteksyon



Makipag-ugnayan sa Amin

Shenzhen Headquarters: 10th Floor, Research and Development Center Building, EVOC Industrial Park, 

Guangming Kalye, Guangming Distrito, Shenzhen City, Guangdong Province, China

Opisyal na Website ng Kumpanya: www.cokinsemi.com

 

Email: wyq@cokinic.com

Telepono:+86-18681585060

 




Mga Hot Tags: NE1180, China, Manufacturer, Supplier, Factory, Customized, Mababang Presyo, Kalidad, Advanced, Matibay, Pinakabagong Pagbebenta, May Stock
Kaugnay na Kategorya
Magpadala ng Inquiry
Mangyaring huwag mag-atubiling ibigay ang iyong pagtatanong sa form sa ibaba. Sasagot kami sa iyo sa loob ng 24 na oras.
X
Gumagamit kami ng cookies para mag-alok sa iyo ng mas magandang karanasan sa pagba-browse, pag-aralan ang trapiko sa site at i-personalize ang content. Sa paggamit ng site na ito, sumasang-ayon ka sa aming paggamit ng cookies. Patakaran sa Privacy
Tanggihan Tanggapin