NE1189
  • NE1189NE1189

NE1189

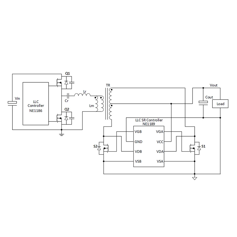
Ang NE1189 ay isang dual-channel synchronous rectifier (SR) controller IC high performance system.

Magpadala ng Inquiry

Paglalarawan ng Produkto

LLC kasabay na rectifier chip


Ang NE1189 ay isang dual-channel synchronous rectifier (SR) controller IC high performance system. Gamit ang naaangkop na gate drive method at independent sampled inputs para makamit ang maximum efficiency load sa anumang sitwasyon, ang NE1189 ay nagpapatakbo sa malawak na supply range ng mga boltahe mula 4.7V hanggang 38V, ultra-low static current at two-channel driver circuits para sa LLC resonant converter pangalawang transpormer windings na may center taps. Napakababa ng 10ns turn-off propagation delay time at high sink drive current (~2.5A) na kakayahan ay nagpapabuti sa SR VDS stress.


Ang natatanging VG clamping circuit ay mahusay na gumagana upang maiwasan ang VG na dumaan sa VD pin nang walang VCC sa pamamagitan ng mabilis na pagtaas, na iniiwasan ang pangunahing bahagi at ang pangalawang bahagi kapag sinimulan ang system kung ang SR VCC ay nasa ibaba pa rin ng 2V. Ang NE1189 ay may wastong lohikal na pag-andar ng proteksyon, panloob na lohikal na pagla-lock at dalawang-phase na interlocking time ay maaaring gawing mas maaasahan ang system.


Mga bentahe ng produkto:

• Malawak na hanay ng boltahe ng VCC na tumatakbo mula 4.7V-38V

• Napakababang static na kasalukuyang < 90uA

• Pinipigilan ang mga DCM ring na mag-trigger ng mga error at 10ns fast shutdown

• Anumang Vth value na tugma sa VGA/VGB clamping circuit MOSFET kapag ang VCC ay mas mababa sa 2V

• Sinusuportahan ng mga VDA at VDB pin ang negatibong boltahe ng peak reduction sa -3V

• Differential input para sa inductive emissions at source voltage MOSFET transistors para sa bawat SR

• Built-in na dual channel logical lock

• Adaptive gate driver para sa maximum na kahusayan



Makipag-ugnayan sa Amin

Shenzhen Headquarters: 10th Floor, Research and Development Center Building, EVOC Industrial Park, 

Guangming Kalye, Guangming Distrito, Shenzhen City, Guangdong Province, China

Opisyal na Website ng Kumpanya: www.cokinsemi.com

 

Email: wyq@cokinic.com

Telepono:+86-18681585060

 




Mga Hot Tags: NE1189, China, Manufacturer, Supplier, Factory, Customized, Mababang Presyo, Kalidad, Advanced, Matibay, Pinakabagong Pagbebenta, May Stock
Kaugnay na Kategorya
Magpadala ng Inquiry
Mangyaring huwag mag-atubiling ibigay ang iyong pagtatanong sa form sa ibaba. Sasagot kami sa iyo sa loob ng 24 na oras.
X
Gumagamit kami ng cookies para mag-alok sa iyo ng mas magandang karanasan sa pagba-browse, pag-aralan ang trapiko sa site at i-personalize ang content. Sa paggamit ng site na ito, sumasang-ayon ka sa aming paggamit ng cookies. Patakaran sa Privacy
Tanggihan Tanggapin